freesex性中国熟妇,EEUSS影院WWW在线观看,看黄A大片爽爽影院免费无码,欧美色欧美亚洲另类二区

站內公告:
泊頭市友盛聯(lián)軸器有限公司是從事聯(lián)軸器、減速機及支架的研究企業(yè)。我公司各種設備多樣,產品主要有:梅花形彈性聯(lián)軸器,鼓形齒式聯(lián)軸器,彈性套柱銷聯(lián)軸器,彈性柱銷聯(lián)軸器,彈性柱銷齒式聯(lián)軸器,星形彈性聯(lián)軸器等。
關于我們
泊頭市友盛聯(lián)軸器有限公司是從事聯(lián)軸器、減速機及支架的研究企業(yè)。我公司各種設備多樣,產品主要有:梅花形彈性聯(lián)軸器,鼓形齒式聯(lián)軸器,彈性套柱銷聯(lián)軸器,彈性柱銷聯(lián)軸器,彈性柱銷齒式聯(lián)軸器,星形彈性聯(lián)軸器等。詳細
聯(lián)系我們
地址: 泊頭市小杜莊工業(yè)園
網址: www.netxw.cn
郵箱: 2690587660@qq.com
產品列表
產品名稱:

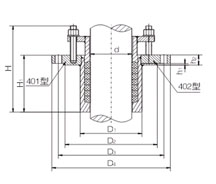
401型碳鋼下伸式填料箱,402型不銹鋼下伸式填料

工作原理:
401型碳鋼下伸式填料箱,402型不銹鋼下伸式填料箱,適用于設計壓力小于等于0.6MPa,設計溫度小于等于100゜C,轉軸線速度小于2m/s,其特點為填料函部分在安裝法蘭下面,能縮短安裝空間

 

六、401型碳鋼下伸式填料箱,402型不銹鋼下伸式填料箱
  本系列填料箱適用于設計壓力小于等于0.6MPa,設計溫度小于等于100゜C,轉軸線速度小于2m/s,其特點為填料函部分在安裝法蘭下面,能縮短安裝空間。
 

相關產品
相關新聞
商家推薦